Industry ISO9001 Approved Wentong Wooden Case Water Filter Reverse Osmosis System

Customization: Available
Certification: ISO9001, CE
Salt Rejection Rate: 99.0%, 50-50000gallon

Product Description

Basic Information
Model NO.
WTRO
Application
Industry
Usage
Water Purification, Desalination, Treatment
Raw Water
Ground Water, Well Water, Sea Water etc.
Function
Desalting, Removal of Impurities
Principle
Reverse Osmosis
Recovery Rate
(Permeate Flow / Feed Flow) X 100%
Material
UPVC+FRP, Stainless Steel
Temperature
5~ 35℃
Warranty
One Year
Transport
Wooden Case
Specification
RO 0.25-200T/H
Origin
China
HS Code
8421991000
Capacity
2000pieces/Year
Product Description

Reverse osmosis water purification desalination treatment plant

Reverse Osmosis System
Size According to requirements
Configuration Raw Water Pump, Multi media Filter, Activated Carbon Filter, Filter Medium, Cartridge Filter Element, Dosing Device Dosing Pump, Dosing Tank

RO Units:
High Press Pump, RO Membrane, Membrane Housing, Pressure Gauge, Flow Meter, Auto Wash Valve, Regulating valve, CIP System (Tank & Pump), Frame, Pipes & Fittings

Control Panel:
PLC, Level Switch, High & Low Pressure Switch, Conductivity Meter, PH meter, Electrical components, Wires & Cable
Material UPVC + Stainless steel, FRP
Function Purified water equipment used to produce pure water for various industries including food, chemical, electronics, and medicine.
Key Features
High degree of operation automation; imported parts rate over 80%.
Automatic shutdown for both low pressure and high pressure full water status.
Water pressure fluctuation protection; regular automatic pre-filter flushing.
IC microcomputer controller for automatic membrane rinsing and water quality monitoring.
Small footprint, low energy consumption, and high water quality output.
Application Scope
Electronics: IC, silicon wafer, display tube, electrode foil flushing.
Chemical: Recycling, product manufacturing, fertilizer production.
Power: Boiler feed water for power plants and medium/low pressure systems.
Food & Beverage: Beer, liquor, health products, purified water.
Desalination: Seawater and brackish water for islands, ships, and offshore platforms.
Others: Automotive, household appliances, cosmetics, printing and dyeing.
Specifications
Model Flow rate (L/h) Power (KW) Efficiency RO Membrane Dimension (LxWxH mm)
RO-500L5001.5≥ 50%40401650X630X1800
RO-1000L10002.5≥ 50%40401870X650X1850
RO-2000L20003.5≥ 50%40402440X650X1750
RO-5000L50007.5≥ 50%80402000X900X1800
RO-10T10T/H19≥ 60%80403000X900X1800
RO-20T20T/H28≥ 60%80405000X900X1950
RO-30T30T/H55≥ 60%80407000X900X1950
RO System Setup
Ultrafiltration (UF) Technology

Ultrafiltration is a film filtering process between micro-filtering and nanometer-filtering. It is used for separation, concentration, and purification of substances by trapping macromolecules, colloids, and particles while allowing solvents to pass through.

UF Tech Diagram
RO Membrane Technology

Reverse Osmosis (RO) separates solvents (usually water) through a semi-permeable membrane under pressure. It efficiently removes inorganic ions, bacteria, viruses, and organic matter to obtain high-quality purified water.

RO Tech Diagram
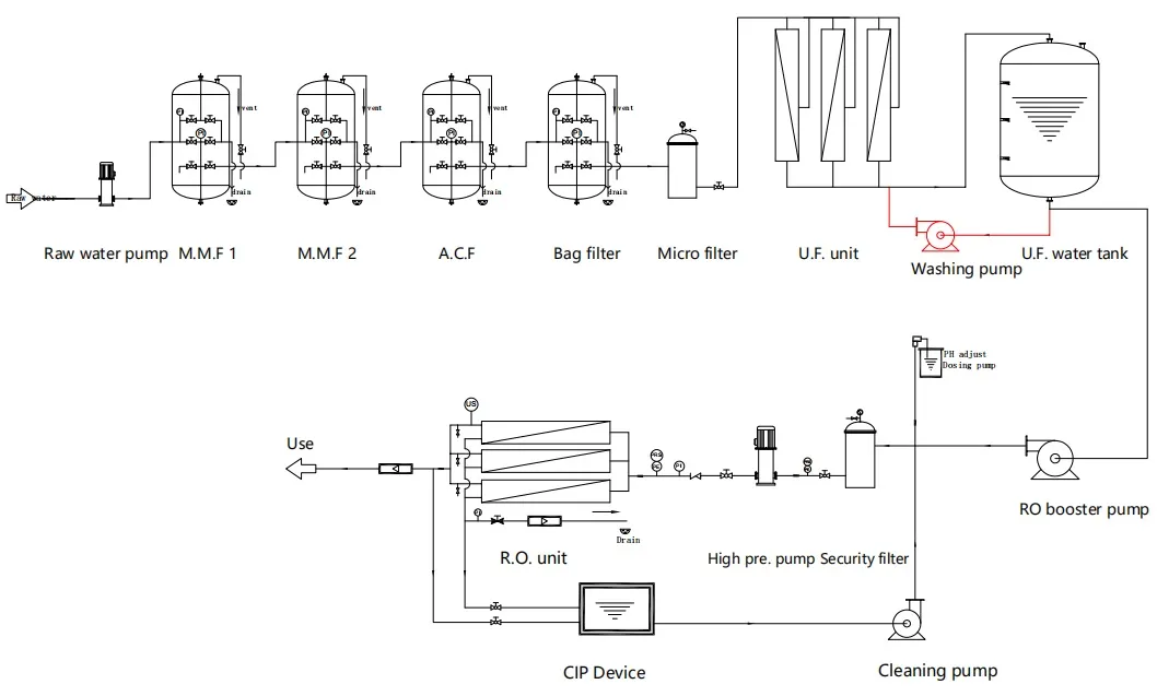
System Process Flow

Raw water → Pre-treatment → Fine treatment (UF & RO) → Post treatment (UV/Ozone) → Final Use

Process Flow Diagram Detailed Flow Chart
Water Treatment Equipment Show
Full System View
Frequently Asked Questions
? 1. What products do you provide?
We specialize in RO systems, EDI systems, UF systems, water softeners, and sewage water treatment equipment.
? 2. What information is needed before ordering?
We need to know the type of raw water, the required capacity per hour, and the intended application of the purified water.
? 3. How long is the delivery time?
Generally, the delivery time is 30 days, depending on the scale and specific requirements of your project.
? 4. What are the main applications for RO systems?
RO systems are widely used in the electronic industry, chemical manufacturing, power plants, food and beverage production, and seawater desalination.
? 5. What is the difference between UF and RO?
Ultrafiltration (UF) is mainly used to separate macromolecules and colloids, while Reverse Osmosis (RO) removes inorganic ions and smaller particles to produce high-purity water.
? 6. What materials are used in the construction?
Our systems typically utilize high-quality UPVC, Fiber Reinforced Plastic (FRP), and Stainless Steel for durability and hygiene.

Related Products